تابعنا:

منتجات
20A قفل الجمع الروتاري كام التبديل 4kw
  • 20A قفل الجمع الروتاري كام التبديل 4kw20A قفل الجمع الروتاري كام التبديل 4kw

20A قفل الجمع الروتاري كام التبديل 4kw

مع أكثر من 30 عامًا من الخبرة في الصناعة، تقدم Yaming مفتاح الكامة الدوارة بقفل 20 أمبير بقدرة 4 كيلو وات، وهو حل تحكم آمن ومستقر وقابل للتخصيص لدوائر التيار المتردد بتردد 50 هرتز. تم تصميم هذا المنتج للتبديل اليدوي الموثوق للدوائر والتحكم في المحرك والقياس، وهو يدمج عمليات التصنيع القوية ومراقبة الجودة الصارمة وميزات السلامة القابلة للقفل لتلبية الاحتياجات الكهربائية الصناعية العالمية. باعتبارنا مصنعًا محترفًا متجذرًا في الصين، فإننا نقدم أداءً مستقرًا للمنتج وخدمات تخصيص مرنة لتلبية متطلبات التطبيقات المتنوعة.

تعتبر شركة Zhejiang Yaming Electric، التي تتمتع بأكثر من 30 عامًا من الخبرة المهنية في الصناعة، شركة رائدة موثوقة في مجال تصنيع المفاتيح الكهربائية. من خلال الاستفادة من القدرات التقنية القوية ونظام إدارة الجودة الصارم، نقوم بتشغيل مصنع حديث مجهز بعمليات دقيقة وتكنولوجيا متطورة، مما يضمن أن كل منتج يلبي المعايير الدولية.


نحن فخورون بتقديم Yaming 20A Padlock Combination Rotary Cam Switch 4kW، وهو مكون عالي الأداء في سلسلة HZ5. يوفر هذا المفتاح تحكمًا مستقرًا وفعالًا وقابلاً للتخصيص لمختلف تطبيقات الدوائر الكهربائية، ويدمج وظيفة قابلة للقفل لتعزيز السلامة التشغيلية.


المعلمات التقنية


1. السلسلة: مفتاح مجموعة سلسلة HZ5

2. السيناريوهات القابلة للتطبيق: دوائر التيار المتردد 50 هرتز

3. جهد التشغيل المقدر: يصل إلى 380 فولت تيار متردد، 240 فولت تيار مستمر

4. التيار المقنن: يصل إلى 63 أمبير (هذا الموديل: 20 أمبير، 4 كيلو وات)

5. التطبيقات: دليل، تبديل الدائرة غير المتكررة، التحكم، والتحويل


الوظائف الأساسية


1. التحكم المباشر في محركات التيار المتردد ذات السعة الصغيرة

2. يمكن استخدام مفتاح الكامة الدوارة ذو القفل 20A 4kw كجهاز تحكم رئيسي وجهاز قياس الدائرة.

3. يدعم تنظيم سرعة المحرك وتحويل الدوائر.

4. مُجهز بوظيفة أمان قابلة للقفل، مما يتيح عمليات تشغيل/إيقاف آمنة وغير متكررة.


ميزات المنتج


1. 20A قفل الجمع الروتاري كام التبديل 4kw مناسبة لدوائر التيار المتردد 50 هرتز، ودعم ما يصل إلى 380V AC / 240V DC، مع أقصى تصنيف للتيار 63A.

2. يسمح بتوصيل وفصل الدائرة اليدوية وغير المتكررة لتطبيقات التحكم.

3. يمكن أن تقود مباشرة محركات التيار المتردد ذات السعة الصغيرة، مع وظائف التحكم والقياس الرئيسية.

4. يدعم التخصيص الكامل: يمكن تخصيص عدد الأعمدة والنطاقات بالكامل وفقًا لمواصفات العميل.


تطبيق المنتج



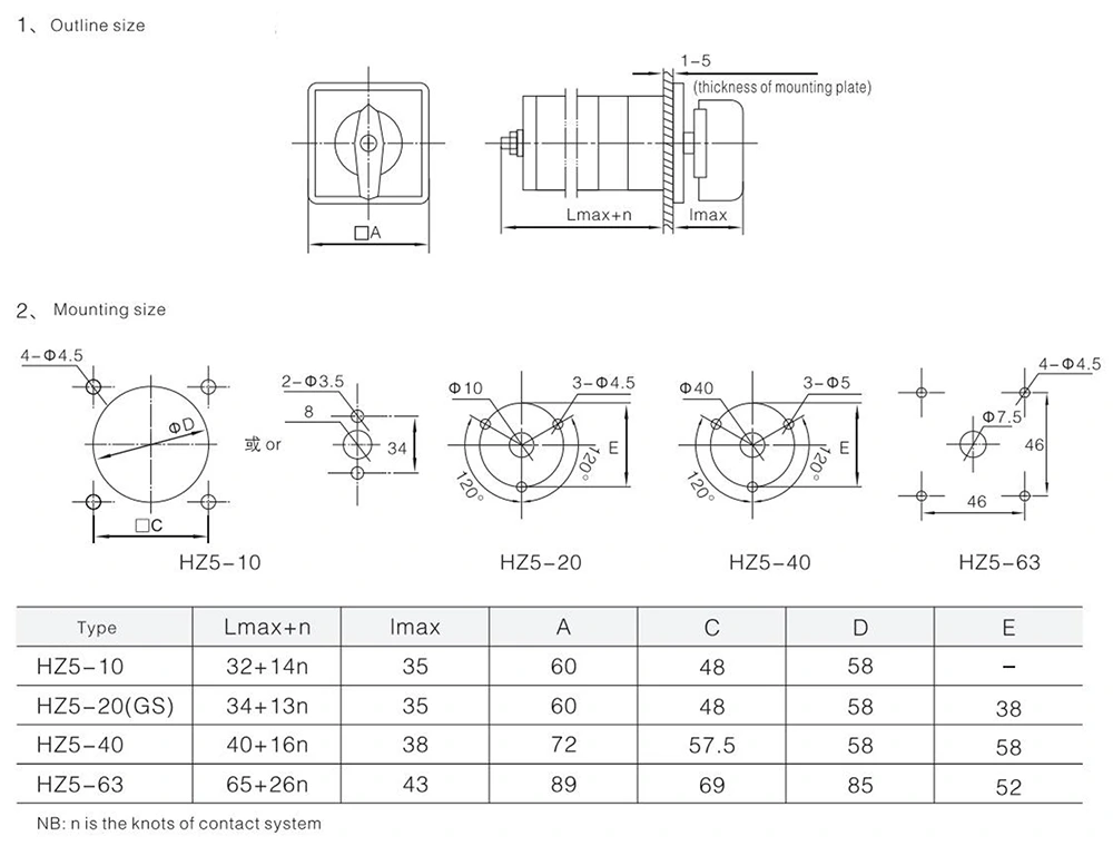
المعلمات التقنية



حجم التثبيت حجم مخطط المنتج


لماذا تختار يامينج؟


باعتبارها موردًا عالميًا موثوقًا به، تجمع Yaming بين عقود من الخبرة الصناعية ونظام الجودة الصارم وقدرات الإنتاج المرنة لتزويد العملاء بمفاتيح الكامة الدوارة الآمنة والمتينة والمخصصة للتطبيقات. يتميز مفتاح الكاميرا الدوارة ذو القفل المختلط بقدرة 20 أمبير بقدرة 4 كيلو وات بقدرته على الثبات والسلامة وتعدد الاستخدامات والتخصيص، مما يجعله مثاليًا للتحكم الصناعي وتوزيع الطاقة.



الكلمات الساخنة: 20A قفل الجمع الروتاري كام التبديل 4kw الصين، الشركة المصنعة، المورد، المصنع
إرسال استفسار
معلومات الاتصال
  • عنوان

    رقم 8 طريق يامينغ، منطقة شيانغيانغ الصناعية، مدينة يويهتشينغ، مقاطعة تشجيانغ، الصين

  • بريد إلكتروني

    petzane@cnym.cn

إذا كان لديك أي استفسار حول عرض الأسعار أو التعاون، فلا تتردد في إرسال بريد إلكتروني أو استخدام نموذج الاستفسار التالي. سيتصل بك مندوب المبيعات لدينا خلال 24 ساعة.
X
نحن نستخدم ملفات تعريف الارتباط لنقدم لك تجربة تصفح أفضل، وتحليل حركة مرور الموقع، وتخصيص المحتوى. باستخدام هذا الموقع، فإنك توافق على استخدامنا لملفات تعريف الارتباط. سياسة الخصوصية
يرفض يقبل